產品介紹
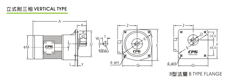
(二)下圖為標準型CV..D 立式減速馬達附DC24V送電剎車器詳細外型尺寸參數:
感謝您關注城邦減速馬達附DC24V送電剎車器!
城邦減速電機和齒輪減速機特點如下:
·采用高品質全銅線圈,動力更足!
·鋁合金外殼重量更輕,散熱更好!
·齒輪、齒軸經精密滾齒加工,精度更高!
·采用瑞典SKF或同等級精密軸承,運轉更順暢!
·采用IP-55鋁制接線盒,防水性更好。
·采用高品質密封件和先進工藝,防粉塵防漏油效果更好!
更多關于城邦減速馬達附DC24V送電剎車器圖片/選型/價格/及城邦減速馬達附DC24V送電剎車器接線圖/維修保養/使用說明...等等方面的資訊,歡迎咨詢城邦電機國內客服專線:400-8833-185.熱情為您服務!
沒有了
沒有了




